欢迎您,来到上海久制传感仪器有限公司官方网站!
服务热线:021-58108066
量程:0~5kg~10kg~20kg~30kg~50kg~100kg~200kg~300kg~500kg~1t~2t
特点:L10H微小型测力传感器,采用不锈钢材质,体积小,重量轻,适用于机械按钮,开关按键力场所,背面有3个内螺孔用于固定传感器。
受力应用图:
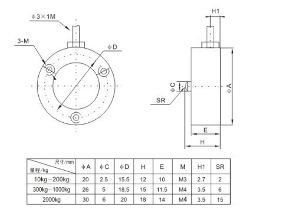
外形尺寸:

技术参数:

选型表:

版权所有 © 上海久制传感仪器有限公司 网 址:www.lmanucell.com 备案号:沪ICP备16019150号 
电 话:021-58108066 传 真:021-58072395 地 址:上海市浦东新区航头镇沈杜公路118号5号楼